18. GX - Avvio/arresto automatico del generatore
18.1. Introduzione
Integrando un generatore CA o CC con un dispositivo GX sono disponibili le seguenti funzioni:
Caratteristiche generali:
Controllo automatico del generatore: Avvio e arresto automatico del generatore mediante la funzionalità "Avvio/arresto automatico del generatore" in base alle varie condizioni del sistema.
Controllo e programmazione manuale: Avvio e arresto manuale del generatore, con la possibilità di programmare un funzionamento temporizzato.
Tracciabilità del servizio: Monitoraggio delle ore di funzionamento e degli intervalli di manutenzione.
Maggiore durata della vita utile del generatore: Le funzioni integrate di riscaldamento e raffreddamento assicurano una lubrificazione adeguata prima dell'applicazione del carico ed evitano arresti improvvisi.
Per i generatori collegati:
Monitoraggio delle prestazioni: Visualizzazione dei dati di produzione CA o CC.
Tracciamento dei parametri del motore: Monitoraggio di pressione, temperatura, numero di giri, tensione della batteria di avviamento e livelli del serbatoio del carburante.
Avvisi di errore: Ricezione di notifiche sugli errori di sistema.
Supporto DVCC: Alcuni generatori CC supportano il Controllo Distribuito della Tensione e della Corrente (DVCC) (vedere il capitolo DVCC - Tensione Distribuita e Controllo Corrente).
Il monitoraggio e il controllo sono disponibili non solo sul dispositivo GX, ma anche tramite il portale VRM e l'app Marine MFD HTML5. Per ulteriori dettagli, consultare i capitoli Portale VRM e Integrazione MFD Marine tramite App.
Ulteriori informazioni generali sulla progettazione di un sistema Victron che comprende un generatore sono disponibili anche nelle FAQ sul Generatore MultiPlus.
18.2. Come integrare
Esistono due opzioni si integrazione:
Integrazione controllata da relè: Un segnale di avvio/arresto cablato a potenziale zero è supportato dal Relè 1 del dispositivo GX (vedere la sezione 17.2.7 per il segnale di avvio/arresto controllato da relè).
Integrazione con generatore collegato: Se il generatore o il suo controllore sono elencati nella seguente tabella, significa che è supportata la comunicazione digitale per la lettura e il controllo tramite VE.Can, Ethernet o RS485 (utilizzando un convertitore RS485-USB come l'interfaccia RS485 a USB di Victron).
Controllori di generatori CA supportati per l'integrazione con generatori collegati
Produttore | Modello | Tipo di connessione | Osservazioni |
|---|---|---|---|
ComAp | InteliLite 4 AMF 25 InteliLite 4 AMF 20 InteliLite 4 AMF 9 InteliLite 4 AMF 8 InteliLite 4 MRS 16 | Ethernet | |
CRE Technology | Compact AMF Gensys Compact Prime Gensys Compact Mains | Ethernet | |
Deep Sea Electronics | DSE4620 | Ethernet o RS485 | Per Ethernet: Vedere 1) Per RS485: Vedere 2) e 3) |
DSE6120 | |||
DSE4510 MKII | |||
DSE4520 MKII | |||
DSE6110 MKII | |||
DSE6120 MKII | |||
DSE7310 MKII | Per Ethernet: Vedere 1) Per RS485: Vedere 3) | ||
DSE 7410 MKII | Per RS485: Vedere 4) | ||
DSE 7420 MKII | |||
DSE8610 MKII | |||
DSE8620 MKII | |||
DSE8660 MKII | |||
DEIF | Generatore AGC 150 | Ethernet o RS485 | Per RS485: Vedere 4) |
AGC 150 Hybrid | |||
AGC 150 PMS Lite | |||
Fischer Panda | xControl | VE.Can | |
iGenerator | |||
fpControl | |||
1) Questo modello non include la connettività Ethernet. Pertanto, è necessario il dispositivo di comunicazione DSE855 USB a Ethernet di Deep Sea Electronics o un altro gateway DSE dotato di Ethernet. 2) Questo modello non include la connettività RS485. Pertanto, è necessario il dispositivo di comunicazione DSE857 USB a RS485 di Deep Sea Electronics o un altro gateway DSE dotato di RS485. 3) È necessario il convertitore USB485-STIXL isolato USB a RS485 di Hjelmslund Electronics(https://hjelmslund.eu/) 4) Questo modello include una porta RS485 isolata integrata; tuttavia, è necessaria l'interfaccia RS485 a USB di Victron . | |||
Controllori di generatori CC supportati per l'integrazione con generatori collegati
Produttore | Modello | Tipo di connessione | Note |
|---|---|---|---|
Fischer Panda | fpControl | VE.Can | |
Hatz | fiPMG | VE.Can | Supporta il controllo della tensione DVCC |
Importante
Il dispositivo GX supporta un solo controllore del generatore collegato. In caso di integrazione via Ethernet, assicurarsi che al dispositivo GX sia accessibile un solo controllore del generatore.
18.2.1. Segnale di avvio/arresto controllato da relè
La maggior parte dei generatori supporta un segnale esterno di avvio/arresto, in genere tramite un contatto a potenziale zero. La chiusura del contatto avvia il generatore, mentre l'apertura lo arresta.
Alcuni generatori richiedono segnali pulsati invece di un collegamento continuo. In questi casi potrebbero essere necessari relè di temporizzazione aggiuntivi (vedere più avanti). Fare sempre riferimento al manuale del generatore o consultare il fornitore per i dettagli sulla configurazione del cavo del segnale di avvio remoto.
Si deve utilizzare il Relè 1 del dispositivo GX per controllare il generatore. Dopo aver collegato l'ingresso del generatore al Relè 1, entrare in Impostazioni → Integrazioni→ Relè → Funzione (Relè #) → Avvio/arresto del generatore. Una volta configurato il Relè 1 come "Avvio/arresto del generatore", è possibile accedere alle relative impostazioni tramite Impostazioni → Dispositivi → Generatore. |
18.3. Menu avvio/arresto generatore
La pagina di panoramica generale della funzione avvio/arresto del generatore è accessibile da Impostazioni → Dispositivi → Generatore e si può utilizzare per monitorare lo stato del generatore, visualizzare lo stato degli errori, accedere al tempo di esecuzione e all'assistenza, nonché effettuare le impostazioni necessarie.
Le singole voci del menu hanno le seguenti funzioni:
| |
(*) Valido solo per i generatori collegati. (*2) Valido solo per i generatori CC collegati. | |
18.4. Menù impostazioni
Nel menu Avvio/arresto generatore, scorrere verso il basso e toccare su Impostazioni per visualizzare il menu Impostazioni.
|
18.4.1. Allarme se la funzione di avvio automatico è disattivata
Se questa opzione è attiva, quando la funzione di avvio automatico rimane disattivata per più di 10 minuti, scatta un allarme. Ciò è particolarmente utile dopo la manutenzione del generatore, se il tecnico si dimentica di riattivare la modalità di avvio automatico. Questa funzione garantisce che la funzione di avvio automatico non venga lasciata involontariamente disattivata. Per i generatori collegati digitalmente, come DSE, ComAp e Fischer Panda, controlla anche che sul pannello del generatore siano attivati gli avvii da remoto. Possono scattare due allarmi:
|
18.4.2. Menu del tempo di funzionamento e dell'intervallo di manutenzione
Ogni generatore richiede una manutenzione dopo un certo periodo. L'intervallo di manutenzione consigliato dipende principalmente dall'utilizzo e dal tempo di funzionamento. Questo menu consente di impostare un intervallo di manutenzione, il quale avvia un contatore che attiva un avviso quando è necessario effettuare la manutenzione. Dettaglio delle voci del menu:
|
18.4.3. Menu riscaldamento e raffreddamento
Il menu di riscaldamento e raffreddamento consente di configurare il tempo necessario al generatore per riscaldarsi o raffreddarsi prima o dopo il funzionamento. Il controllo avviene tramite relè quando il relè di ingresso CA è aperto e l'inverter/caricabatterie non è collegato.
Questo menu viene utilizzato anche per i generatori collegati digitalmente (ad esempio, tramite Modbus), per i quali non viene utilizzato il relè GX.
Nota: questa funzione richiede il firmware 502 o successivo dell'inverter/caricabatterie VE.Bus. È supportata anche sugli inverter/caricabatterie Multi RS con firmware v1.17 o successivo.
Tempo di riscaldamento:
Tempo di raffreddamento:
Tempo di arresto del generatore:
|
18.5. Condizioni di avvio/arresto automatico
Perdita di comunicazione: Se si perde la comunicazione tra il Cerbo-S GX e l'inverter/caricabatterie VE.Bus, e i parametri di avvio/arresto del generatore dipendono da questi dati, scegliere una delle seguenti azioni:
Arresta generatore se è disponibile l'ingresso CA: Utile per i sistemi di riserva in cui un Quattro è collegato alla rete elettrica su AC-in 1 o AC-in 2 ed è presente un generatore sull'altro ingresso CA. Se attivato, il generatore si arresta solo quando viene ripristinata l'alimentazione di rete dopo un guasto. |
L’utente può impostare i seguenti parametri per far attivare un avvio/arresto automatico del generatore:
(* Il valore misurato qui sarà il consumo totale di CA del sistema).
I parametri delle condizioni possiedono la priorità data dall'ordine elencato qui sopra. Se vengono raggiunte più condizioni contemporaneamente, solo la condizione con priorità più alta viene visualizzata come attiva. Vengono valutate tutte le condizioni attivate, anche se il generatore è già in funzione. Quando viene soddisfatta la condizione attiva, un parametro non soddisfatto in una condizione a priorità inferiore può mantenere il generatore in funzione.
18.5.1. Arresto del generatore quando è disponibile l'ingresso CA
Quest’opzione è ideale per i sistemi di riserva in cui un ingresso CA del Quattro è collegato alla rete elettrica e l'altro è collegato a un generatore.
Quando è attivata e l'ingresso CA collegato alla rete è definito, il generatore si arresta automaticamente una volta ripristinata l'alimentazione di rete dopo un guasto di rete. Il processo si svolge in base alle seguenti fasi:
Prima di tutto, viene scollegato il generatore.
Viene applicato un periodo di raffreddamento in base all'impostazione configurata.
Vengono concessi altri 15 secondi affinché il generatore completi l’arresto.
|
18.5.2. Avvio/arresto in base al SoC batteria
Questa funzione consente di controllare il generatore in base allo Stato di carica della batteria (SoC).
|
18.5.3. Avvio/arresto in base alla tensione della batteria
Questa funzione consente di controllare il generatore in base ai livelli di tensione della batteria.
|
18.5.4. Avvio/arresto in base al carico CA
Gli attivatori di carico CA funzionano in modo simile agli altri attivatori, ma la funzione è perfezionata da un'impostazione di Misurazione. Tale impostazione è disponibile per il firmware v2.0 e successivi e ha tre valori possibili:
|
18.5.5. Avvio/arresto in base ad Alta temperatura Inverter
Questa funzione consente di attivare il generatore in base agli avvisi di temperatura dell'inverter.
|
18.5.6. Avvio/arresto in base a sovraccarico Inverter
Questa funzione consente l'attivazione del generatore in risposta a un avviso di sovraccarico dell'inverter.
|
18.5.7. Avvio/arresto in base al livello del serbatoio
Questa funzione consente di disattivare il generatore in base al livello del serbatoio, evitando bolle d'aria quando il serbatoio è vuoto.
|
18.5.8. Test periodico
Questa funzione consente avvii automatici periodici del generatore.
|
18.5.9. Funzione di avvio manuale
La funzione di avvio manuale consente di avviare il generatore da remoto. Se il generatore è già in funzione, premendo Avvio si impedisce che si arresti automaticamente quando si soddisfa la condizione che lo ha attivato. In altre parole, l'Avvio manuale esclude i parametri di arresto automatico.
Modi per avviare manualmente il generatore:
AttenzioneSe avviato manualmente (da remoto) senza un timer di arresto (funzione Funzionamento temporizzato), il generatore funzionerà a tempo indeterminato fino allo spegnimento manuale.
|
18.5.10. Ore di riposo
La funzione Ore di riposo consente di impostare un periodo di tempo durante il quale il rumore del generatore sarebbe molesto. Durante questo periodo, il generatore si avvierà solo se strettamente necessario, utilizzando le condizioni di avvio automatico impostate.
Come attivare le Ore di riposo
Si noti che se i tempi di avvio e di arresto sono impostati sullo stesso valore, le Ore di riposo rimarranno attive indefinitamente, se sono attivate. |
Utilizzo delle Ore di riposo come strumento per definire due serie di preferenze utente
La funzione Ore di riposo può essere utilizzata anche per definire come si vuole che risponda il sistema in varie circostanze. Ad esempio:
Mattina presto/SoC basso: Il SoC della batteria è spesso più basso al mattino. In caso di tempo nuvoloso o di pannelli solari orientati a ovest (con prestazioni migliori nel pomeriggio), il generatore può avviarsi automaticamente al mattino a causa del basso SoC. Tuttavia, nel corso della giornata, con l'aumento della produzione solare, il funzionamento del generatore potrebbe diventare inutile. Impostando le Ore di riposo durante questo periodo con soglie di avvio automatico più basse, è possibile evitare l'avvio prematuro del generatore e sfruttare meglio l'energia solare disponibile.
Casa vacanza: In una casa di villeggiatura la domanda di energia è significativamente più alta quando la casa è occupata rispetto a quando è vuota. La funzione Ore di riposo può venire in soccorso applicando soglie di avvio automatico più basse quando la casa è in uso e più alte quando è vuota.
Per implementarlo:
Impostare le Ore di riposo come condizione permanente (vedi sopra) quando la casa è occupata.
Disattivare le Ore di riposo quando la casa è vuota per consentire il comportamento standard del generatore.
18.6. Controllore ComAp
18.6.1. Introduzione
Come funziona?
Il dispositivo GX comunica (lettura/invio) con il pannello InteliLite 4 tramite Modbus TCP su Ethernet, utilizzando il modulo ComAp CM3-Ethernet (necessario) come interfaccia di comunicazione. È necessario rimappare i registri Modbus utilizzando il software InteliConfig.
In appendice è riportata una panoramica di tutti i registri Modbus utilizzati e delle relative mappature richieste: Registri di mantenimento Modbus per il controllore ComAp InteliLite 4
Dopo aver applicato la mappatura, il dispositivo GX rileva automaticamente la presenza di un controllore ComAp InteliLite 4 utilizzando la stringa di identificazione situata nel registro Modbus 1307. Riconoscerà tutti i moduli il cui nome inizia con "InteliLite4-" Questa stringa di identificazione appare anche nella barra del titolo della finestra InteliConfig.

18.6.2. Requisiti
Dispositivo GX con VenusOS v3.42 o successivo
Controllore ComAp supportato
Modulo CM3-Ethernet (codice ordine di ComAp: CM3ETHERXBX)
Può funzionare anche con il modulo CM-Ethernet standard (codice ordine di ComAp: CM2ETHERXBX), ma non è stato testato.
Apparecchiatura di rete Ethernet
18.6.3. Installazione e configurazione
L'installazione e la configurazione avvengono in pochi passaggi. È sufficiente attivare il server Modbus nel modulo CM-Ethernet. Quest’operazione può essere eseguita dal pannello di controllo o utilizzando il software per il controllore InteliConfig, scaricabile dal sito web di ComAp.
Non è necessaria un'ulteriore configurazione del modulo CM3-Ethernet di ComAp.
I registri Modbus devono essere regolati con il software InteliConfig in base all'elenco dei registri descritto in Registri di mantenimento Modbus per il controllore ComAp InteliLite 4.
Configurazione del controllore ComAp
La seguente procedura illustra i passaggi per l'utilizzo del software di configurazione InteliConfig. Assicurarsi di disporre della versione più recente e di essere collegati al controllore:
Assicurarsi di inserire il formato corretto di unità/potenza:
Selezionare la scheda Configurazione del controllore
Scegliere Altri
Selezionare unità/formato di potenza
Assicurarsi che Unità sia impostata su "Metrico - 20 °C, 10,0 Bar, 11,4 l/h" e che Formato potenza sia impostato su "Standard 1 kW/kVA/kVAr 1 V

Scelta dei sensori
Selezionare "VDO 10 Bar" e assicurarsi che la risoluzione sia impostata su "0,1" e la Dim su "Bar".

Ora selezionare "VDOLevel %" e assicurarsi che la Risoluzione sia impostata su "1" e la Dim su "%".

Rimappatura dei registri Modbus:
Nella stessa finestra, selezionare MODBUS
Scaricare il file di mappatura Modbus per Victron Energy: Mappatura ComAp InteliLite GX
In basso, sotto Importa/Esporta, cliccare sull'icona Importa, sita sulla destra
Selezionare il file di mappatura scaricato e cliccare su OK
Nell'angolo in basso a destra, cliccare sul pulsante Scrivi per salvare la configurazione nel controllore
Il file UMOD di mappatura Modbus ComAp contiene le necessarie mappature dei registri Modbus richieste dal dispositivo GX. In appendice si trova anche un formato della mappatura leggibile dagli umani: Registri di mantenimento Modbus per il controllore ComAp InteliLite 4.


Attivazione del server Modbus del controllore
Selezionare la scheda Setpoint
Nel menu successivo, selezionare il modulo CM-Ethernet
Attivare il server Modbus

Configurazione del dispositivo GX
Dopo aver collegato il dispositivo GX e il controllore del generatore alla stessa rete, quest’ultimo apparirà automaticamente nell'Elenco dispositivi. L’immagine presenta un esempio di un controllore del generatore DSE. Se non appare, controllare le impostazioni Modbus del dispositivo GX entrando in Impostazioni → Integrazioni → Dispositivi Modbus. Assicurarsi che sia ttivata la Scansione automatica (è l'impostazione predefinita) o eseguire una scansione manuale del dispositivo; dovrebbe essere rilevato ed elencato nel sottomenu Dispositivi rilevati. Per ottenere un funzionamento affidabile, lasciare attivata la scansione automatica, che scansiona la rete ogni dieci minuti. Se cambia l'indirizzo IP, il dispositivo viene rilevato nuovamente. Tuttavia, è consigliabile assegnare un indirizzo IP statico al controllore per evitare perdite di comunicazione impreviste. |
18.7. Controllore CRE Technology
18.7.1. Introduzione
Come funziona?
Il dispositivo GX comunica con il controllore CRE leggendo e inviando dati in base alle specifiche TCP Modbus del controllore, utilizzando la connettività Ethernet del controllore CRE.
Utilizzando i valori di identificazione recuperati tramite Modbus, il dispositivo GX rileva automaticamente la presenza del controllore.
18.7.2. Requisiti
Dispositivo GX con VenusOS v3.50 o successivo
Controllore CRE supportato con versione del firmware v2.0 o successiva
Apparecchiatura di rete Ethernet
18.7.3. Installazione e configurazione
Prerequisiti
Il controllore CRE consente di modificare le unità di misura delle pressioni e delle temperature; tuttavia, il dispositivo GX prevede che la pressione dell'olio sia configurata in bar e la temperatura in °C. Assicurarsi che le unità di misura siano impostate correttamente.
Configurazione del dispositivo GX
Dopo aver collegato il dispositivo GX e il controllore del generatore alla stessa rete, quest’ultimo apparirà automaticamente nell'Elenco dispositivi. L’immagine presenta un esempio di un controllore del generatore DSE. Se non appare, controllare le impostazioni Modbus del dispositivo GX entrando in Impostazioni → Integrazioni → Dispositivi Modbus. Assicurarsi che sia attivata la Scansione automatica (è l'impostazione predefinita) o eseguire una scansione manuale del dispositivo; dovrebbe essere rilevato ed elencato nel sottomenu Dispositivi rilevati. Per ottenere un funzionamento affidabile, lasciare attivata la scansione automatica, che scansiona la rete ogni dieci minuti. Se cambia l'indirizzo IP, il dispositivo viene rilevato nuovamente. Tuttavia, è consigliabile assegnare un indirizzo IP statico al controllore per evitare perdite di comunicazione impreviste. |
18.8. DSE - Assistenza per il controllore del generatore di Deep Sea
18.8.1. Introduzione
Integrando un controllore di generatori di Deep Sea Electronics (DSE) con un dispositivo GX, è possibile leggere i dati relativi alla CA, alla pressione dell'olio, alla temperatura del refrigerante, al livello del serbatoio, al numero di avvii del motore e altre letture di stato. Inoltre, supporta la segnalazione digitale di avvio/arresto dal dispositivo GX.
Come funziona?
Il dispositivo GX comunica con il controllore di Deep Sea Electronics (DSE) leggendo e inviando dati tramite la specifica DSE Modbus "GenComm". Questa comunicazione avviene attraverso la connessione Ethernet del controllore DSE stesso oppure, per i controllori privi di interfaccia Ethernet, attraverso il dispositivo di comunicazione USB a Ethernet DSE855 di Deep Sea Electronics o un altro gateway DSE compatibile e dotato di Ethernet che supporta il TCP Modbus.
Utilizzando i valori di identificazione ottenuti tramite Modbus, il dispositivo GX rileva automaticamente la presenza del controllore.
18.8.2. Requisiti
Dispositivo GX con VenusOS v3.12 o successivo
Controllore DSE supportato
Per i modelli che offrono solo la connettività USB (vedere la tabella in Come integrare), è necessario un DSE855 di Deep Sea Electronics (o un dispositivo simile).
Apparecchiatura di rete Ethernet
Caso speciale: DSE 4520 MKII (Venus OS v3.50 o successivo)
A differenza di tutti gli altri controllori DSE supportati, il DSE 4520 MKII non accetta comandi di controllo tramite comunicazione digitale. Pertanto, è necessario utilizzare un segnale di controllo cablato tramite la funzione "Relè ausiliario del generatore collegato". È possibile trovare ulteriori informazioni nella prossima sezione.
18.8.3. Installazione e configurazione
Configurazione del dispositivo GX
Dopo aver collegato il dispositivo GX e il controllore del generatore alla stessa rete, quest’ultimo apparirà automaticamente nell'Elenco dispositivi. Se non appare, controllare le impostazioni Modbus del dispositivo GX entrando in Impostazioni → Integrazioni → Dispositivi Modbus. Assicurarsi che sia attivata la Scansione automatica (è l'impostazione predefinita) o eseguire una scansione manuale del dispositivo; dovrebbe essere rilevato ed elencato nel sottomenu Dispositivi rilevati. Per ottenere un funzionamento affidabile, lasciare attivata la scansione automatica, che scansiona la rete ogni dieci minuti. Se cambia l'indirizzo IP, il dispositivo viene rilevato nuovamente. Tuttavia, è consigliabile assegnare un indirizzo IP statico al controllore per evitare perdite di comunicazione impreviste. |
Relè ausiliare del generatore collegato
Il Relè 1 del dispositivo GX può essere configurato come Relè ausiliario del generatore collegato.
Quest’impostazione consente al Relè 1 di funzionare in parallelo con i comandi di controllo digitale di un DSE 4520 MKII collegato. Il Relè 1 rimane aperto quando il generatore è arrestato e si chiude non appena viene dato il comando di avvio.
Questa funzione è utile per:
Per le istruzioni di cablaggio, fare riferimento a Segnale di avvio/arresto controllato da relè |
18.9. Regolatore DEIF
18.9.1. Introduzione
Come funziona?
Il dispositivo GX legge e invia dati al controllore DEIF tramite la specifica Modbus del controllore, utilizzando la connessione Ethernet o la Porta1 dell’RS485 del controllore DEIF. Utilizzando i valori di identificazione trovati tramite Modbus, il dispositivo GX rileva automaticamente la presenza del controllore.
18.9.2. Requisiti
Dispositivo GX con Venus OS v3.50 o successivo
Controllore DEIF AGC 150 supportato con versione firmware 1.19.0 (da maggio 2024) o successiva
Per l'integrazione tramite Ethernet: Apparecchiatura di rete Ethernet
Per l'integrazione tramite RS485: Interfaccia RS485 a USB Victron Energy (codice articolo ASS030572050 o ASS030572018)
18.9.3. Installazione e configurazione
Impostazione del parametro di scala corretto Attualmente è supportato solo il valore predefinito del parametro "Scala" del controllore (Canale 9030, valore da 100 a 25000 V). Prima di effettuare il collegamento, accertarsi che questa impostazione sia corretta. L'impostazione è disponibile sul display del controllore in Parametri → Impostazioni di base → Impostazione della misura → Scala → Scala. Per apportare modifiche, inserire la password principale (predefinita: 2002) e impostarlo sull'intervallo predefinito da 100 a 25000 V. | ![]() |
Per la connessione Ethernet Utilizzare la porta Ethernet del controllore DEIF per collegarlo alla stessa rete Ethernet del dispositivo GX. |
Per il collegamento RS485 La serie di controllori DEIF AGC 150 dispone di due porte RS485, di cui la porta 1 è isolata galvanicamente. L'isolamento galvanico impedisce i cosiddetti loop di massa, che altrimenti potrebbero danneggiare i dispositivi a causa di correnti indesiderate. Pertanto, è necessario utilizzare la Porta 1, come spiegato nella tabella. Dopo aver collegato il controllore al dispositivo GX, utilizzare il display del controllore ed entrare in Parametri → Comunicazione → RS485 → RS485 1 → Parametri, inserire la password master (la predefinita è '2002') e impostare i parametri come segue:
|
| |||||||||||||||||||||
![]() |
Configurazione del dispositivo GX Dopo aver collegato il dispositivo GX e il controllore del generatore, quest’ultimo apparirà automaticamente nell'Elenco dispositivi. Se si utilizza il metodo Ethernet e non viene visualizzato, controllare le impostazioni Modbus del dispositivo GX: Impostazioni → Integrazioni → Dispositivi Modbus, e assicurarsi che sia attivata (impostazione predefinita) la scansione automatica o eseguire una scansione per individuare il dispositivo; dovrebbe essere rilevato automaticamente e apparire nel sottomenu Dispositivi rilevati. Affinché il funzionamento sia affidabile, la scansione automatica deve rimanere attivata. La rete viene scansionata ogni dieci minuti. Se cambia l'indirizzo IP, il dispositivo viene rilevato nuovamente. Tuttavia, è consigliabile assegnare un indirizzo IP statico al controllore per evitare perdite di comunicazione impreviste. |
18.10. Assistenza per il Generatore Fischer Panda
18.10.1. Introduzione
Il dispositivo GX legge e invia dati al generatore Fischer Panda tramite una connessione VE.Can, utilizzando il modulo SAE J1939 di Fischer Panda (necessario). Sono supportati sia i generatori CA che quelli CC.
18.10.2. Requisiti
Dispositivo GX con firmware v2.07 o successivo
Generatore Fischer Panda, xControl, iGenerator o fpControl GC
Modulo CAN Fischer Panda SAE J1939 (codice articolo 0006107)
Adattatore Fischer Panda FP-Bus a VE.Can (codice articolo 0023441)
Opzionale: FP-CAN a NMEA 2000 (FP Art. n. 0031409)
Requisiti del firmware Fischer Panda:
iControl (per iGenerator): v2.17 o superiore
Pannello iControl: nessun requisito minimo
xControl (per i generatori a velocità costante): 4V38 o superiore
Pannello xControl: 4V29
fpControl (per generatori CA e CC): qualsiasi versione
Pannello fpControl: 4V29 o superiore
Modulo SAE J1939 CAN di Fischer Panda: 2V05 o superiore
Modulo trifase di Fischer Panda: 4V0b o superiore
Interfaccia NMEA 2000 di Fischer Panda: 2V11 o superiore
18.10.3. Installazione e configurazione
Collegamento di un generatore Fischer Panda xControl
Il seguente schema mostra come collegare un generatore Fischer Panda xControl.
![]() |
Collegamento di un generatore Fischer Panda iControl
Il seguente schema mostra come collegare un generatore Fischer Panda iControl.
![]() |
Collegamento di un fpControl del generatore di Fischer Panda
Il seguente schema mostra come collegare un fpControl del generatore di Fischer Panda
![]() |
18.10.4. Configurazione e monitoraggio del dispositivo GX
Importante
Importante: Il funzionamento del generatore è possibile e consentito solo quando è acceso il pannello xControl, fpControl o iControl.
Assicurarsi che in Impostazioni → Connettività, il profilo CAN-bus selezionato sia "VE.Can (250kbit/s)", che è il profilo predefinito e supporta NMEA 2000. |
Se tutti i cablaggi sono stati completati e la configurazione è stata eseguita correttamente, il Fischer Panda appare nell'elenco dei dispositivi: |
Inserendo il dispositivo Fischer Panda nel menu si ottiene una pagina come questa: Da risaltare che è dotato di un interruttore di accensione e spegnimento e visualizza le informazioni di stato e i principali parametri CA: tensione, corrente e potenza. |
La temperatura del motore, il numero di giri e altre informazioni sono disponibili accedendo alla voce del sottomenu Motore. |
18.10.5. Manutenzione
Prima di eseguire qualsiasi intervento di manutenzione sul generatore, arrestarlo sempre tramite il pannello di controllo di Fischer Panda. In questo modo si disattiva la funzione di avvio automatico, impedendo che il generatore venga avviato a distanza, ad esempio da un Cerbo GX.
Al termine della manutenzione, riattivare la funzione di avvio automatico tramite il pannello di controllo di Fischer Panda nel menu Generatore → Avvio automatico → Attiva/Disattiva.
18.11. Generatore Hatz fiPMG DC
18.11.1. Introduzione
Come funziona?
Il generatore Hatz fiPMG DC è un Generatore a Magneti Permanenti (PMG) integrato nel volano che si adatta ai vari livelli di carico con velocità variabile. È alimentato da un motore diesel Hatz E1 con iniezione a controllo elettronico.
L'unità di alimentazione fornisce tensioni di uscita regolabili per sistemi a 28 o 56 Volt e comunicazione tra PSU - ECU - dispositivo GX Victron, ai sensi della SAE J1939.
L'inverter Double CAN dispone di due porte CAN separate:
Porta CAN 1: Gestisce la comunicazione tra il PSU (inverter) e l'ECU del motore.
Porta CAN 2: Gestisce la comunicazione tra il PSU e il dispositivo GX.
Per ulteriori dettagli, visitare il sito www.hatz.com nel quale è possibile accedere a tutti gli schemi elettrici e ad altre informazioni specifiche sull'unità.
18.11.2. Requisiti
Dispositivo GX con firmware Venus OS v3.50 o successivo
Generatore Hatz fiPMG con PSU Double CAN (inverter) per uscita CC da 28 V o 56 V
Cavo VE-CAN a HATZ-CAN (acquistabile presso HATZ)
18.11.3. Installazione e configurazione
Collegamento di un generatore Hatz fiPMG
Il seguente schema mostra come collegare il generatore Hatz fiPMG DC con il dispositivo GX.

Configurazione del dispositivo GX
Assicurarsi che in Impostazioni → Servizi, il profilo CAN-bus selezionato sia "VE.Can (250kbit/s)", che è il profilo predefinito e supporta NMEA 2000. Dopo aver collegato il dispositivo GX e il controllore del generatore, quest’ultimo apparirà automaticamente nell'Elenco dispositivi. |
18.11.4. Manutenzione
Per le istruzioni sulla manutenzione, consultare il manuale del fiPMG.
18.11.5. Risoluzione dei problemi
Elenco dei codici di errore del PSU: Vedere www.hatz.com (protocollo CAN serie E)
Elenco dei codici di errore dell’ECU: Vedere www.hatz.com (Codici diagnostici di guasto serie E)
18.12. Stato del generatore e ore di funzionamento migliorate tramite un ingresso digitale
Per ottenere uno stato preciso del motore e un miglior monitoraggio delle ore di funzionamento accumulate sul dispositivo GX, è possibile utilizzare un cavo di segnale aggiuntivo a contatto secco.
Esistono due opzioni di cablaggio comuni:
Utilizzo di un'uscita a potenziale zero sul controllore del generatore (se supportato) per segnalare lo stato del motore.
Utilizzando un relè ausiliare CA sulla linea CA del generatore, che chiude un contatto a potenziale zero non appena il generatore inizia a fornire energia.
Per attivare questa funzione, entrare in Impostazioni → I/U Digitali e configurare il rispettivo ingresso come "Generatore". Una volta configurato, lo stato del generatore sarà visibile nell'Elenco dispositivi e il tempo di funzionamento totale sarà determinato in base allo stato di questo ingresso digitale. |
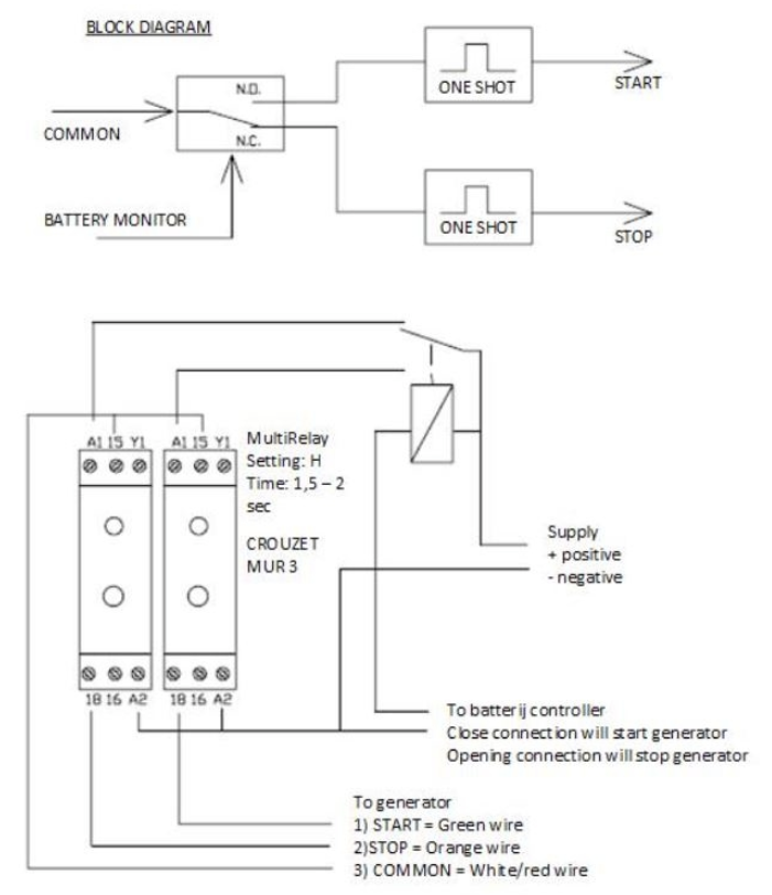
18.13. Come cablare il generatore con un’interfaccia a tre cavi
Per avviare un generatore con un'interfaccia a tre cavi, il contatto di apertura/chiusura deve essere convertito in impulsi di avvio e arresto separati. La soluzione illustrata a continuazione, che utilizza relè di temporizzazione standard, consente di raggiungere questo obiettivo grazie a:
Generazione di un impulso di avvio alla chiusura del contatto di apertura/chiusura.
Generazione di un impulso di arresto all'apertura del contatto di apertura/chiusura.
Importante: Questo metodo deve essere utilizzato solo per generatori dotati di un proprio pannello di controllo per il monitoraggio e l'arresto automatico in caso di problemi come la bassa pressione dell'olio. Non cablare direttamente al solenoide del motore di avvio o del carburante.
![]() |






